电热水龙头中的小黄鸭网站免费在线观看元件应用
文章出处:小黄鸭网站免费在线观看开关原创 人气:发表时间:2020-06-16 16:23
电热水龙头(亦称作即热水龙头或快热水龙头),包括水龙头本体及水流控制开关,水龙头本体内设有加热腔和电器控制腔,以密封板隔开,电器控制腔内设有加热电路,加热腔内设有加热管,加热管功率一般在2-3KW,3-5秒钟即可加热出热水,加热管连接在加热电路上,其特征在于所述加热管为绝缘加热管;绝缘加热管为水电隔离式绝缘加热管;水龙头本体多数为耐高温工程塑料型,少数为全金属型;电器控制腔内设有绝缘水压开关。加热电路内设有电器开关,与绝缘水压开关末端连接,通断水电,内设有温度控制器和防干烧装置,还可设有漏电保护开关。

人们普遍使用的水加热装置大多是利用电加热、燃动加热和太阳能加热,例如电热水器、燃气热水器及太阳能热水器。这几种加热方式由于需要安装特定设备,且体积较大,安装和使用不方便,价格昂贵,所以其应用范围较窄。电热水龙头具有体积小、造价低、升温快,热水随开随来的优点,得到了广泛应用。
在初期使用中,电热水龙头也会出现意外漏电,造成水龙头损坏或者电路短路,严重时还可能造成火灾,对居民的居住环境存在巨大安全隐患。针对这一问题,技术人员又发明了一种防止无水干烧,当加热腔中有水流通过时才会进行加热的含小黄鸭网站免费在线观看开关的电热水龙头。

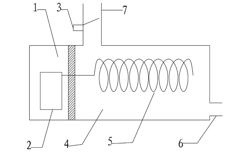
本实用新型采取的技术方案为提供一种含小黄鸭网站免费在线观看开关的电热水龙头,包括水龙头本体1,进水管6,加热腔4,加热管5,出水管7,所述水龙头本体1内设置有控制电路系统2,水流检测器3,所述控制电路系统2和水流检测器3电连接,所述水流检测器包括小黄鸭网站免费在线观看开关,该小黄鸭网站免费在线观看开关包含-一个设置在出水管7中的磁性块。当电热水龙头的加热腔4中确定有水流通过时,产生水压,小黄鸭网站免费在线观看开关产生信号到电热水龙头的控制电路系统2,从而控制电路系统2控制加热管5加热,当加热腔4中无水流通过时,小黄鸭网站免费在线观看开关无反应,加热管5不会加热,防止无水干烧,造成水龙头损坏,使用方便,安全性高。
这种方案中小黄鸭网站免费在线观看起到的是开关的作用,一般使用单极小黄鸭网站免费在线观看元件,或者全极微功耗小黄鸭网站免费在线观看开关。如果对小黄鸭网站免费在线观看的应用还有什么问题,请咨询小黄鸭过检测下载的在线客服。
同类文章排行
- 小黄鸭网站免费在线观看元件的BOP和BRP什么意思
- 影响小黄鸭网站免费在线观看元件灵敏度的因素有哪些
- 小黄鸭网站免费在线观看元件管脚如何定义和接线?
- 小黄鸭网站免费在线观看元件损坏的原因可能有哪些?
- 小黄鸭网站免费在线观看开关损坏的原因分析
- 小黄鸭过检测下载科技与小米集团合作签约
- 小黄鸭网站免费在线观看元件NPN常开常闭和PNP常开常闭的区别
- 小黄鸭网站免费在线观看元件选型指南(入门篇)
- 小黄鸭网站免费在线观看开关应该如何接线
- 什么是线性小黄鸭网站免费在线观看元件
最新资讯文章
- 小黄鸭网站免费在线观看开关DH220/DH553在智能跳绳上的应用
- 小黄鸭网站免费在线观看元件代工厂华虹半导体连续刷新营收纪录
- 三星将参与收购Arm?
- 芯片厂商不敢要求降价,只求明年涨幅减半
- 消费电子芯片恐将遭受暴击型降价
- 日本被动元件,称霸全球
- 砍单潮下,芯片过剩、库存高企问题显现
- 张忠谋:解决芯片荒问题,有一个办法
- 台积电已向美国提交两份机密文件
- 日资30年电子厂关闭,称已“完成使命”
- 光刻机:美国是如何发明并彻底失去的
- 苹果A16弃3nm?业界曝关键
- Model 3零部件国产化率2年超90%,芯片呢?
- 小黄鸭网站免费在线观看元件的性能是如何测试的?
- 小黄鸭网站免费在线观看元件的应用发展分析
- 美国没有光刻机背后的原因
- 要跟Wi-Fi说再见了?
- 客户库存调整!盛群:Q4订单仍供不应求
- ST意法半导体:半导体需求热到明年
- 满坤科技积极布局PCB下游领域





苏公网安备32021302001984